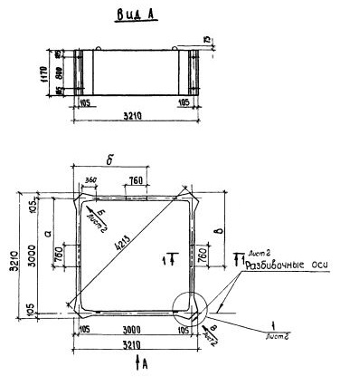
СБО 3.1-1 к7

Чертеж изделия:
Чертеж СБО 3.1-1 к7
Характеристики изделия:
ПараметрЗначение
Длина3210 мм
Ширина3210 мм
Высота1170 мм
Масса3800 кг
Нормативный документСерия 3.702.1-4.

СБО 3.1-1 к7  Силосный блок объёмный по Серии 3.702.1-4.